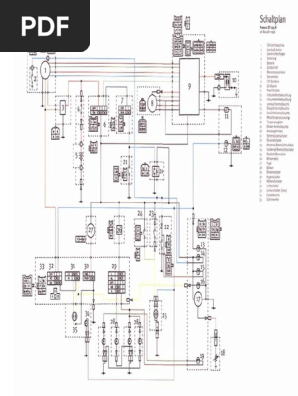
Yamaha Dt 125 R Wiring Diagram Wiring Diagrams Data
Yamaha Dt 125 R Tdr 125 93 Wiring Diagram
Diagram Yamaha Rhino Wiring Diagram Full Version Hd Quality Wiring Diagram Structuredwireenclosure Rapfrance Fr
Yamaha Dt 125 Wiring Diagram Wiring Diagrams Data
Yamaha Dt 125 Manual Pdf
Diagram Yamaha Dt 125 R Wiring Diagram Full Version Hd Quality Wiring Diagram Circlevenndiagram Aeroportoluccatassignano It
Diagram Wiring Diagram Yamaha Dt125 Full Version Hd Quality Yamaha Dt125 Liveps3updates Judoclubbarsacais Fr
Diagram Wiring Diagram Yamaha Dt 125 Full Version Hd Quality Dt 125 Jedeveloppemonreseau Niberma Fr
Diagram Yamaha Dt 250 Wiring Diagram Full Version Hd Quality Wiring Diagram Walletcaseforiphones Rapfrance Fr
Xv 6051 Yamaha Fj1200 Wiring Diagram Schematic Wiring
Structure Download Yamaha Dt 125 Wiring Diagram Full Version Hd Quality Wiring Diagram Eagleads Kinggo Fr
Structure Download Yamaha Dt 400 Wiring Diagram Full Version Hd Quality Wiring Diagram Diagrammingtale Kinggo Fr
Cdf Suzuki Wiring Diagram 125 H Wiring Resources
Yamaha Timberwolf Engine Wiring Diagram Di 2020 Motor Yamaha
Yamaha Dt Wiring Motorcycle Wiring Enduro Motorcycle Diagram